Válvulas esférica Polipropileno conexión bridada

Descripción

Válvulas esférica Polipropileno conexión bridada

Sobre dimensionadas en espesores hasta ahora nunca logrados y construidas en polipropileno sin carga, lo que garantiza un perfecto funcionamiento. Las De rápida apertura necesitando solo un cuarto de vuelta desde la posición de apertura a cierre total. Se caracteriza por tener una pérdida de carga despreciable debido a su pasaje de apertura total y superficie lisa.

Características generales:
Cuerpo y Bridas: Polipropileno.
Esfera Autocentrante: Polipropileno o PTFE con coke.
Asientos: PTFE.
Bulonería: Revestida en poliamida antiácida.
Anillo de Cierre: Vitón.
O´Ring de Asientos: EPDM.
Condición de Trabajo: 5Kg/cm2 a 75ºC – 10Kg/cm2 a 20ºC.

(consulte la tabla de resistencias químicas)

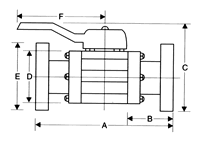
Dimensiones
Ø 1/2″ 3/4″ 1″ 1 1/2″ 2″ 3″ 4″
A 173 173 205 222 245 294 364
B 69 69 76 82 87 93 132
C 121 126 160 176 190 258 273
D 73 73 100 100 127 173 172
E 95 105 115 150 165 200 223
F 135 135 175 175 175 214 214

 

 

 

 

 

 

 

 

 

 

Una válvula de bola es conocida también como de válvula de esfera, la cual, tiene un mecanismo que sirve para regular el flujo de un fluido canalizado y se caracteriza porque el mecanismo regulador situado en el interior tiene forma de esfera perforada.

En la válvula esférica un macho esférico agujereado controla la circulación del líquido o fluido, por lo tanto, este tipo de válvulas representan una excelente opción en el sellado, pues la bola contacta de forma circunferencial y uniforme el asiento, el cual suele ser de materiales blandos.

Usos y aplicaciones de las válvulas de bola
Las aplicaciones más frecuentes de las válvulas de bola son:

– Obertura o cierre
– Servicio de conducción y corte, sin estrangulación
– Apertura rápida
– Moderar temperaturas
– Resistencia mínima a la circulación