Descripción
Válvulas esférica Polipropileno conexión roscada
Sobre dimensionadas en espesores hasta ahora nunca logrados y construidas en polipropileno sin carga, lo que garantiza un perfecto funcionamiento. Las De rápida apertura necesitando solo un cuarto de vuelta desde la posición de apertura a cierre total. Se caracteriza por tener una pérdida de carga despreciable debido a su pasaje de apertura total y superficie lisa.
Características generales:
Cuerpo y Bridas: Polipropileno.
Esfera Autocentrante: Polipropileno o PTFE con coke.
Asientos: PTFE.
Bulonería: Revestida en poliamida antiácida.
Anillo de Cierre: Vitón.
O´Ring de Asientos: EPDM.
Condición de Trabajo: 5Kg/cm2 a 75ºC – 10Kg/cm2 a 20ºC.
(consulte la tabla de resistencias químicas)

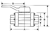
| Dimensiones | ||||||
| Ø | 1/2″ | 3/4″ | 1″ | 1 1/2″ | 2″ | 3″ |
| A | 89 | 89 | 123 | 146 | 176 | 215 |
| B | 73 | 73 | 100 | 100 | 127 | 172 |
| C | 115 | 115 | 155 | 155 | 185 | 235 |
| D | 135 | 135 | 172 | 172 | 172 | 214 |
Una válvula de bola es conocida también como de válvula de esfera, la cual, tiene un mecanismo que sirve para regular el flujo de un fluido canalizado y se caracteriza porque el mecanismo regulador situado en el interior tiene forma de esfera perforada.
En la válvula esférica un macho esférico agujereado controla la circulación del líquido o fluido, por lo tanto, este tipo de válvulas representan una excelente opción en el sellado, pues la bola contacta de forma circunferencial y uniforme el asiento, el cual suele ser de materiales blandos.
Usos y aplicaciones de las válvulas de bola
Las aplicaciones más frecuentes de las válvulas de bola son:
– Obertura o cierre
– Servicio de conducción y corte, sin estrangulación
– Apertura rápida
– Moderar temperaturas
– Resistencia mínima a la circulación
